通风系列

集技、工、贸为一体的专业从事中央空调、冷藏冷冻、电子电器、船舶舾装及空调通风等设备研发、设计、制造、安装和服务的现代化大型企业。

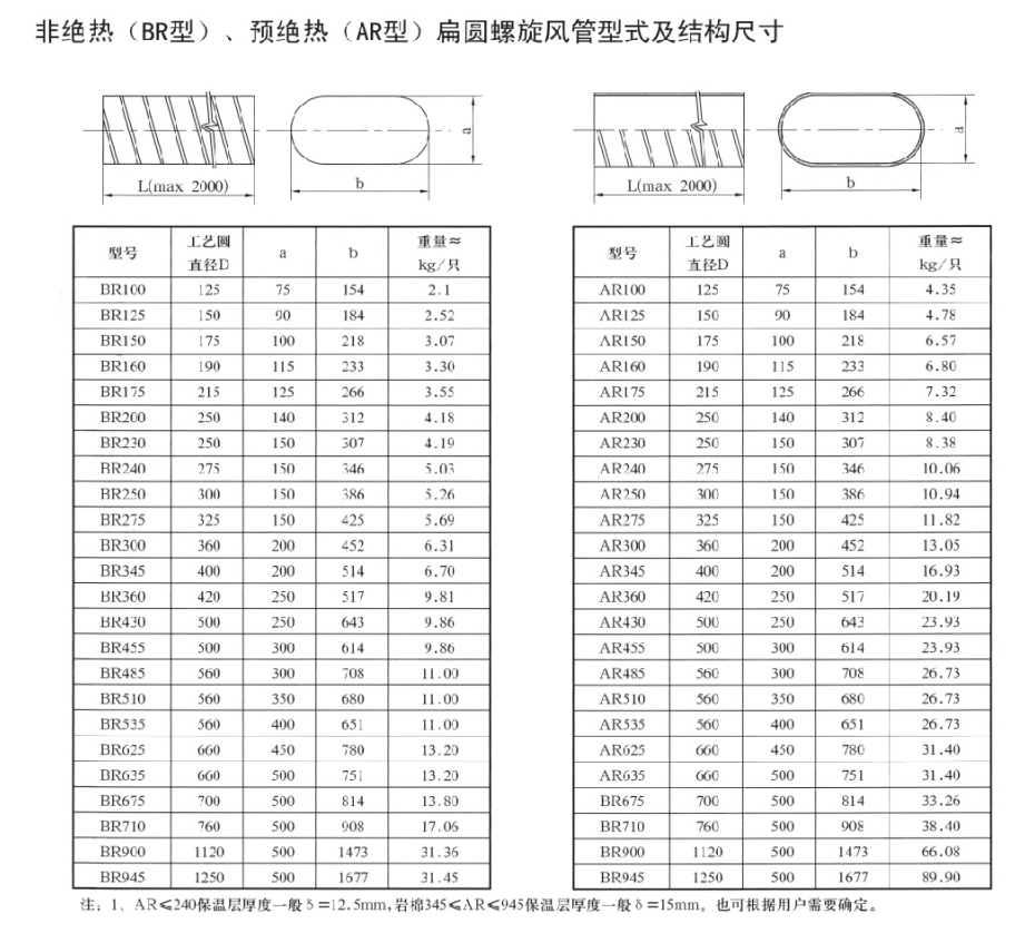
螺旋风管


求实创新、开拓进取、团结拚搏、敢为人先。

所属分类:

关键词:

螺旋风管

产品详情


上一篇:三通
下一篇:铝合金通风格栅
上一篇:三通
下一篇:铝合金通风格栅

求实创新、开拓进取、团结拚搏、敢为人先

江苏日晟船用设备有限公司

关于我们 →

联系方式

地址:泰兴市城区工业园区根思西路111号B1栋103室和203室

二维码

二维码

关注我们


Copyright © 江苏日晟船用设备有限公司 版权所有